○みよし広域連合消防職員の勤務時間、休暇等に関する規程の運用実施要綱
平成14年8月8日
要綱第4号
(趣旨)
第1条 この要綱は、みよし広域連合消防職員の勤務時間、休暇等に関する規程(平成14年訓令第11号。以下「規程」という。)の円滑な運用を図るため、次のとおり定める。
(休憩時間中の勤務等)
第3条 前条により、割り振られた勤務の休憩時間中に勤務を命じられた、休憩時間の変更ができなかったときは、時間外勤務手当を支給する。
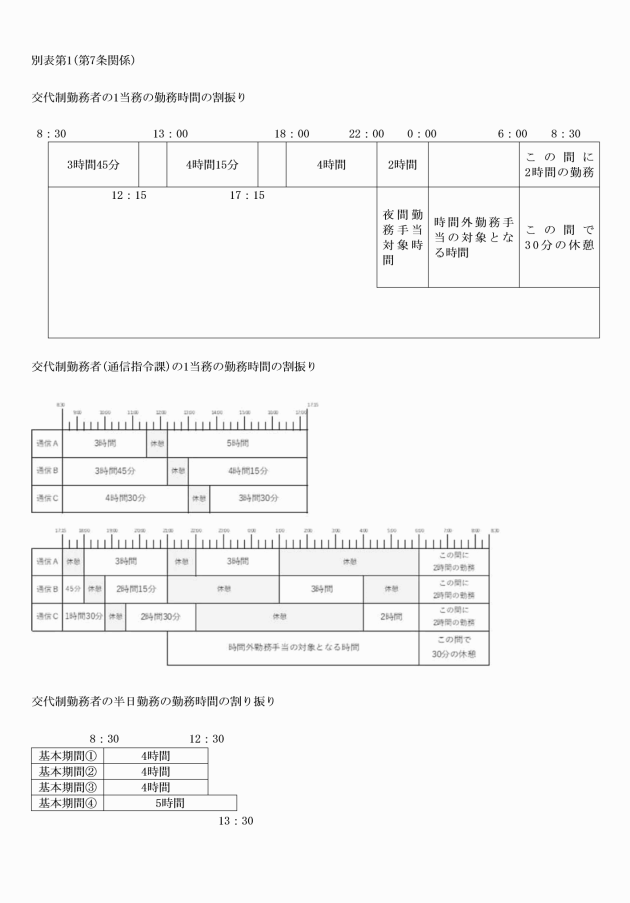
2 前条のうち、仮眠時間中の2時間の勤務以外に勤務を命じられて勤務したときは、時間外勤務手当を支給するものとし、その時間は、火災、救急及び通信勤務の延長等で出場から解散までの時間とする。ただし、通信指令課については、別に定める。
(交替制勤務職員の休日の取扱い等)
第4条 規程第6条ただし書の休日(祝日法による休日及び年末年始の休日。以下「休日」という。)の取扱基準は、公務の運営上支障を及ぼさない各所属の最低当務人員が確保される場合とする。
2 休日の勤務免除は、暦日たる割り振られた正規の勤務時間をもって免除するものとする。
3 交替制勤務職員の勤務日が休日と週休日が重複した直後の勤務日の免除を受ける場合も同様とする。ただし、年末及び年始の休日は除くものとする。
(勤務を要しない日の振替)
第5条 交替制勤務職員の勤務を要しない日の振替については公務の運営上最小限度とし、その割振りは所属長が行うものとする。
(休日の代休の取扱い)
第6条 交替制勤務職員の休日の代休については、勤務を命じられた当該休日の暦日たる割り振られた正規の勤務時間の全部をもって行うものとする。
(介護休暇の取扱い)
第8条 規程第10条に定める介護休暇の取扱い及び承認手続方法などについては、任命権者が別に定めるものとする。
(休日勤務の取扱い)
第9条 交替制勤務職員が休日に勤務した場合の休日勤務手当の取扱いについては、別表第2とする。
(補充勤務の取扱い)
第10条 所属長又は当務長は、夜間等で緊急やむを得ず補充勤務者を必要とする場合は、別表第3による補充勤務時間とする。
附則
この要綱は、公布の日から施行し、平成14年4月1日から適用する。
附則(平成21年9月1日要綱第1号)
この要綱は、公布の日から施行し、平成21年9月1日から適用する。
附則(令和6年9月24日告示第21号)
この要綱は、公布の日から施行する。

別表第2(第9条関係)
休日勤務手当の取扱い
休日勤務の区分 | 時間 |
1 祝日等が勤務日に割り振られた者(当務者) | 8時間 |
2 祝日等の前日から勤務し祝日等の午前8時30分に勤務を終了する者(非番者) | 8時間 |
3 割り振られた週休日が祝日等と重なった直後の勤務を要するに勤務した者。ただし年末年始の休日を除く。(公休者) | 8時間 |
別表第3(第10条関係)
補充勤務の時間の取扱い
補充勤務につく時刻 | 17時15分~19時まで | 19時~21時まで | 21時~23時まで | 23時~1時まで | 1時から3時まで | 3時~5時まで | 5時~7時まで | 7時~8時30分 |
補充勤務時間 | 8時間 | 7時間 | 6時間 | 5時間 | 4時間 | 3時間 | 2時間 | 1時間 |
1 補充勤務につき8時30分まで勤務した者